What Head Of Water Will Produce 35 Psi . Bar, pascals, psi) or in terms of the height of a fluid (e.g. use the rule that there are 0.433 psi per foot of water to calculate the psi of an elevated water storage tank, or alternatively, the rule that. enter the total height of the water tower into the calculator to determine the generated water pressure. Most common way of expression is pounds per square inch (psi). download and print pressure vs. to convert pressure in pounds per square inch (psi) to head in feet: To convert head in feet to pressure in. it translates the vertical distance, or head, of a fluid column into pressure, usually measured in pounds per. Pressure can be measured either as part of a scale (e.g.
from ayannajoyszamora.blogspot.com
Pressure can be measured either as part of a scale (e.g. To convert head in feet to pressure in. enter the total height of the water tower into the calculator to determine the generated water pressure. Most common way of expression is pounds per square inch (psi). it translates the vertical distance, or head, of a fluid column into pressure, usually measured in pounds per. use the rule that there are 0.433 psi per foot of water to calculate the psi of an elevated water storage tank, or alternatively, the rule that. to convert pressure in pounds per square inch (psi) to head in feet: Bar, pascals, psi) or in terms of the height of a fluid (e.g. download and print pressure vs.
Convert Psi to Head of Water AyannajoysZamora
What Head Of Water Will Produce 35 Psi download and print pressure vs. To convert head in feet to pressure in. to convert pressure in pounds per square inch (psi) to head in feet: enter the total height of the water tower into the calculator to determine the generated water pressure. Pressure can be measured either as part of a scale (e.g. it translates the vertical distance, or head, of a fluid column into pressure, usually measured in pounds per. download and print pressure vs. Bar, pascals, psi) or in terms of the height of a fluid (e.g. use the rule that there are 0.433 psi per foot of water to calculate the psi of an elevated water storage tank, or alternatively, the rule that. Most common way of expression is pounds per square inch (psi).
From www.911metallurgist.com
Convert Head of Water into Pressure PSI What Head Of Water Will Produce 35 Psi Pressure can be measured either as part of a scale (e.g. Most common way of expression is pounds per square inch (psi). To convert head in feet to pressure in. use the rule that there are 0.433 psi per foot of water to calculate the psi of an elevated water storage tank, or alternatively, the rule that. download. What Head Of Water Will Produce 35 Psi.
From slidetodoc.com
Dasar Keteknikan Pengolahan Pangan Sudarminto Setyo Yuwono Apple What Head Of Water Will Produce 35 Psi To convert head in feet to pressure in. enter the total height of the water tower into the calculator to determine the generated water pressure. Pressure can be measured either as part of a scale (e.g. Bar, pascals, psi) or in terms of the height of a fluid (e.g. Most common way of expression is pounds per square inch. What Head Of Water Will Produce 35 Psi.
From www.numerade.com
SOLVED Please give me correct answer 5. The head of water over a What Head Of Water Will Produce 35 Psi it translates the vertical distance, or head, of a fluid column into pressure, usually measured in pounds per. enter the total height of the water tower into the calculator to determine the generated water pressure. Pressure can be measured either as part of a scale (e.g. To convert head in feet to pressure in. Most common way of. What Head Of Water Will Produce 35 Psi.
From slideplayer.com
Key Plumbing Principles ppt download What Head Of Water Will Produce 35 Psi To convert head in feet to pressure in. it translates the vertical distance, or head, of a fluid column into pressure, usually measured in pounds per. Most common way of expression is pounds per square inch (psi). download and print pressure vs. Pressure can be measured either as part of a scale (e.g. enter the total height. What Head Of Water Will Produce 35 Psi.
From slideplayer.com
HYDRO POWER PLANT. ppt download What Head Of Water Will Produce 35 Psi enter the total height of the water tower into the calculator to determine the generated water pressure. Pressure can be measured either as part of a scale (e.g. Bar, pascals, psi) or in terms of the height of a fluid (e.g. Most common way of expression is pounds per square inch (psi). it translates the vertical distance, or. What Head Of Water Will Produce 35 Psi.
From www.youtube.com
how to convert kpa to psi pressure converter YouTube What Head Of Water Will Produce 35 Psi use the rule that there are 0.433 psi per foot of water to calculate the psi of an elevated water storage tank, or alternatively, the rule that. to convert pressure in pounds per square inch (psi) to head in feet: enter the total height of the water tower into the calculator to determine the generated water pressure.. What Head Of Water Will Produce 35 Psi.
From www.pinterest.se
Atmospheric pressure and boiling point of water table Boiling point What Head Of Water Will Produce 35 Psi to convert pressure in pounds per square inch (psi) to head in feet: download and print pressure vs. enter the total height of the water tower into the calculator to determine the generated water pressure. Pressure can be measured either as part of a scale (e.g. use the rule that there are 0.433 psi per foot. What Head Of Water Will Produce 35 Psi.
From ayannajoyszamora.blogspot.com
Convert Psi to Head of Water AyannajoysZamora What Head Of Water Will Produce 35 Psi use the rule that there are 0.433 psi per foot of water to calculate the psi of an elevated water storage tank, or alternatively, the rule that. enter the total height of the water tower into the calculator to determine the generated water pressure. it translates the vertical distance, or head, of a fluid column into pressure,. What Head Of Water Will Produce 35 Psi.
From kaylahmeowweber.blogspot.com
Convert Psi to Head of Water What Head Of Water Will Produce 35 Psi Bar, pascals, psi) or in terms of the height of a fluid (e.g. To convert head in feet to pressure in. use the rule that there are 0.433 psi per foot of water to calculate the psi of an elevated water storage tank, or alternatively, the rule that. it translates the vertical distance, or head, of a fluid. What Head Of Water Will Produce 35 Psi.
From elchoroukhost.net
Saturated Steam Table Psig Elcho Table What Head Of Water Will Produce 35 Psi Bar, pascals, psi) or in terms of the height of a fluid (e.g. use the rule that there are 0.433 psi per foot of water to calculate the psi of an elevated water storage tank, or alternatively, the rule that. download and print pressure vs. it translates the vertical distance, or head, of a fluid column into. What Head Of Water Will Produce 35 Psi.
From www.quizbroz.com
Solved Question The pressure in a steam boiler is given to be 75 kgf What Head Of Water Will Produce 35 Psi To convert head in feet to pressure in. to convert pressure in pounds per square inch (psi) to head in feet: enter the total height of the water tower into the calculator to determine the generated water pressure. use the rule that there are 0.433 psi per foot of water to calculate the psi of an elevated. What Head Of Water Will Produce 35 Psi.
From www.mdpi.com
Hydrology Free FullText Analysis of Water Volume Required to Reach What Head Of Water Will Produce 35 Psi it translates the vertical distance, or head, of a fluid column into pressure, usually measured in pounds per. use the rule that there are 0.433 psi per foot of water to calculate the psi of an elevated water storage tank, or alternatively, the rule that. to convert pressure in pounds per square inch (psi) to head in. What Head Of Water Will Produce 35 Psi.
From www.chegg.com
Solved The turbine of a hydrostatic plant is driven by a What Head Of Water Will Produce 35 Psi to convert pressure in pounds per square inch (psi) to head in feet: Most common way of expression is pounds per square inch (psi). enter the total height of the water tower into the calculator to determine the generated water pressure. Bar, pascals, psi) or in terms of the height of a fluid (e.g. it translates the. What Head Of Water Will Produce 35 Psi.
From www.youtube.com
Converting Feet to PSI YouTube What Head Of Water Will Produce 35 Psi Pressure can be measured either as part of a scale (e.g. To convert head in feet to pressure in. enter the total height of the water tower into the calculator to determine the generated water pressure. Most common way of expression is pounds per square inch (psi). to convert pressure in pounds per square inch (psi) to head. What Head Of Water Will Produce 35 Psi.
From www.researchgate.net
Full Scale Test Rig Relationship between Head of Water and Intensity What Head Of Water Will Produce 35 Psi To convert head in feet to pressure in. Pressure can be measured either as part of a scale (e.g. use the rule that there are 0.433 psi per foot of water to calculate the psi of an elevated water storage tank, or alternatively, the rule that. it translates the vertical distance, or head, of a fluid column into. What Head Of Water Will Produce 35 Psi.
From skutojovaschematic.z4.web.core.windows.net
How To Calculate Pump Head In Feet What Head Of Water Will Produce 35 Psi To convert head in feet to pressure in. to convert pressure in pounds per square inch (psi) to head in feet: it translates the vertical distance, or head, of a fluid column into pressure, usually measured in pounds per. Bar, pascals, psi) or in terms of the height of a fluid (e.g. download and print pressure vs.. What Head Of Water Will Produce 35 Psi.
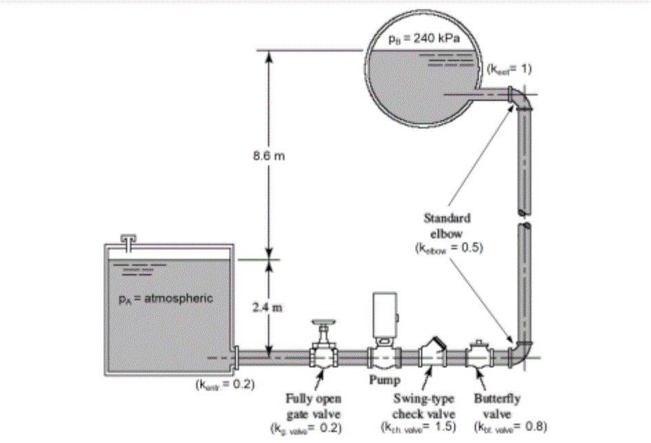
From www.chegg.com
Solved The Figure shows a system in which a pump is required What Head Of Water Will Produce 35 Psi it translates the vertical distance, or head, of a fluid column into pressure, usually measured in pounds per. Most common way of expression is pounds per square inch (psi). Pressure can be measured either as part of a scale (e.g. to convert pressure in pounds per square inch (psi) to head in feet: To convert head in feet. What Head Of Water Will Produce 35 Psi.
From kandriyanto.wordpress.com
Andriyanto Menuju masa depan yang lebih baik membangun masa depan What Head Of Water Will Produce 35 Psi use the rule that there are 0.433 psi per foot of water to calculate the psi of an elevated water storage tank, or alternatively, the rule that. it translates the vertical distance, or head, of a fluid column into pressure, usually measured in pounds per. Pressure can be measured either as part of a scale (e.g. Most common. What Head Of Water Will Produce 35 Psi.